FLAMBAJUL PLACILOR PLANE
Calculul efortului unitar critic la flambaj


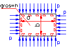
Schema 7



concentrare efort unitar concentrare efort unitar fconcentrare efort unitar fconcentrare efort unitar

    CALCULATOR

    Flambajul placilor plane

    introduceti datele pentru calcul
    cm

    cm

    cm


    daN/cm2





    preia date - Modul elasticitate (E)

    Selecteaza materialul...

    preia date - Coeficient POISON (µ)

    Selecteaza materialul...

    preia date - Rezistente admisibile

    Pentru cautare date acceseaza sectiunea

    Rezistente admisibile


    si selectati cazul care se potriveste cel mai bine calculului dvs.
Pentru imbunatatirea serviciului va rugam sa ne trimiteti sugestiile dvs folosind butonul de mai jos...
Sugestie

Va multumim!