FLAMBAJUL PLACILOR PLANE
Calculul efortului unitar critic la flambaj
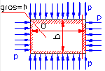
Schema 8
CALCULATOR
Flambajul placilor plane
introduceti datele pentru calcul
preia date - Modul elasticitate (E)
preia date - Coeficient POISON (µ)
preia date - Rezistente admisibile
Pentru cautare date acceseaza sectiunea
Rezistente admisibile
si selectati cazul care se potriveste cel mai bine calculului dvs.
Rezistente admisibile
si selectati cazul care se potriveste cel mai bine calculului dvs.
Sugestie
Va multumim!